Агродеталь
Отложенные 0 Корзина0 пуста 0
ВойтиМой кабинет
+7 (351) 20-20-300
+7 (351) 20-20-300 Отдел оптовых продаж
+7 (351) 225-80-85 Магазин запчастей
Заказать звонок
Каталог
Оплата и доставка
О компании
Контакты
Блог
Ещё
    Агродеталь
    Меню  
    Отложенные 0 Корзина0 0
    Заказать звонок
    +7 (351) 20-20-300
    +7 (351) 20-20-300 Отдел оптовых продаж
    +7 (351) 225-80-85 Магазин запчастей
    Агродеталь
    Отложенные 0 Корзина0 0
    Телефоны
    +7 (351) 20-20-300 Отдел оптовых продаж
    +7 (351) 225-80-85 Магазин запчастей
    Заказать звонок
    • Личный кабинет
    • Корзина0
    • Отложенные0
    • +7 (351) 20-20-300
      • Назад
      • Телефоны
      • +7 (351) 20-20-300 Отдел оптовых продаж
      • +7 (351) 225-80-85 Магазин запчастей
      • Заказать звонок
    Контактная информация
    г. Челябинск, Троицкий тракт, 23
    Отдел продаж:
    mail@agrodetal74.ru
    Главная
    -
    Каталог
    -Запчасти-
    Запчасти для комбайнов
    Запчасти для тракторовЗапчасти для сельхозмашинЗапчасти для комбайновПодшипникиЦепи и звеньяИнструментыКольца стопорныеМетизыРукава высокого давления (РВД)Штуцера, соединители, угольникиРемниРукава и шланги промышленныеСальники ГОСТ 8752-79Соединения для рукавовТехпластиныХомутыСмазочный материалШайбы медные
    -
    Енисей / Нива
    ШумахерМакдонДон / Акрос / ВекторПалесьеЦепи и звенья
    -Бич Енисей/Нива 70046А барабана левый (по 4шт.)
    Поделиться

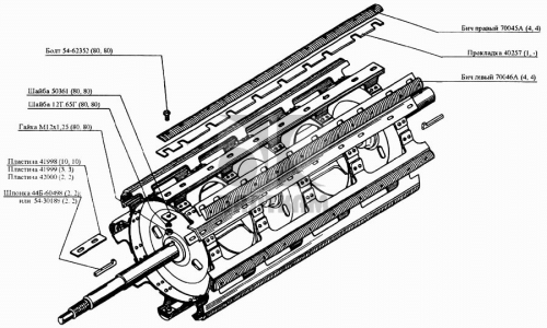
    Бич Енисей/Нива 70046А барабана левый (по 4шт.)

    • Бич барабана НиваЕнисей 70045А лев.
    • Бич барабана НиваЕнисей 70045А лев.
    Артикул: 70046А
    2 200 руб./шт
    Много
    Нашли дешевле?
    - +
    В корзинуВ корзине
    Рассчитать доставку
    Поделиться

    Цена действительна только для интернет-магазина и может отличаться от цен в розничных магазинах
    • Как купить
    • Оплата
    • Доставка
    • Отзывы
    • Задать вопрос
    Как купить

    Оформить заказ на нашем сайте легко. Просто добавьте выбранные товары в корзину, а затем перейдите на страницу Корзина, проверьте правильность заказанных позиций и нажмите кнопку «Оформить заказ» или «Быстрый заказ».

    Быстрый заказ

    Функция «Быстрый заказ» позволяет покупателю не проходить всю процедуру оформления заказа самостоятельно. Вы заполняете форму, и через короткое время вам перезвонит менеджер магазина. Он уточнит все условия заказа, ответит на вопросы, касающиеся качества товара, его особенностей. А также подскажет о вариантах оплаты и доставки.

    По результатам звонка, пользователь либо, получив уточнения, самостоятельно оформляет заказ, укомплектовав его необходимыми позициями, либо соглашается на оформление в том виде, в котором есть сейчас. Получает подтверждение на почту или на мобильный телефон и ждёт доставки.

    Оформление заказа в стандартном режиме

    Если вы уверены в выборе, то можете самостоятельно оформить заказ, заполнив по этапам всю форму.

    Заполнение адреса

    Выберите из списка название вашего региона и населённого пункта. Если вы не нашли свой населённый пункт в списке, выберите значение «Другое местоположение» и впишите название своего населённого пункта в графу «Город». Введите правильный индекс.

    Доставка

    В зависимости от места жительства вам предложат варианты доставки. Выберите любой удобный способ. 

    Оплата

    Выберите оптимальный способ оплаты. 

    Покупатель

    Введите данные о себе: ФИО, адрес доставки, номер телефона. В поле «Комментарии к заказу» введите сведения, которые могут пригодиться курьеру, например: подъезды в доме считаются справа налево.

    Оформление заказа

    Проверьте правильность ввода информации: позиции заказа, выбор местоположения, данные о покупателе. Нажмите кнопку «Оформить заказ».

    Наш сервис запоминает данные о пользователе, информацию о заказе и в следующий раз предложит вам повторить к вводу данные предыдущего заказа. Если условия вам не подходят, выбирайте другие варианты.

    Оплата

    Вы можете выбрать один из трёх вариантов оплаты:

    Оплата наличными

    При выборе варианта оплаты наличными, вы дожидаетесь приезда курьера и передаёте ему сумму за товар в рублях. Курьер предоставляет товар, который можно осмотреть на предмет повреждений, соответствие указанным условиям. Покупатель подписывает товаросопроводительные документы, вносит денежные средства и получает чек.

    Также оплата наличными доступна при самовывозе из магазина, оплаты по почте или использовании постамата.

    Безналичный расчёт

    При оформлении заказа в корзине вы можете выбрать вариант безналичной оплаты. Мы принимаем карты Visa и Master Card. Чтобы оплатить покупку, вас перенаправит на сервер системы ASSIST, где вы должны ввести номер карты, срок действия, имя держателя.

    Вам могут отказать от авторизации в случае:

    • если ваш банк не поддерживает технологию 3D-Secure;
    • на карте недостаточно средств для покупки;
    • банк не поддерживает услугу платежей в интернете;
    • истекло время ожидания ввода данных;
    • в данных была допущена ошибка.

    В этом случае вы можете повторить авторизацию через 20 минут, воспользоваться другой картой или обратиться в свой банк для решения вопроса.

    Безналичным расчётом можно воспользоваться при курьерской доставке, использовании постамата или самовывоза из магазина.

    Электронные системы

    Для оплаты вы можете воспользоваться одной из электронных платёжных систем:

    • PayPal;
    • WebMoney;
    • Яндекс.Деньги.

    Вас перенаправит на страницу платежного сервиса, следуя инструкциям, заполните правильную форму.

    Доставка

    Наш интернет-магазин предлагает несколько вариантов доставки:

    • курьерская;
    • самовывоз из магазина;
    • постаматы;
    • почта России.
    Курьерская доставка*

    Вы можете заказать доставку товара с помощью курьера, который прибудет по указанному адресу в будние дни и субботу с 9.00 до 19.00. Курьерская служба, после поступления товара на склад, свяжется с вами и предложит выбрать удобное время доставки. Уточнит адрес.

    Вы вскрываете упаковку при курьере, осматриваете на целостность и соответствие указанной комплектации. Если речь идёт об одежде, допустима примерка. Время осмотра и примерки ограничено 15 минутами. После вы можете отказаться частично или полностью от покупки.

    Доставка бесплатна при заказе от 3000 рублей.

    *Действует ли в вашем городе курьерская служба, уточняйте у менеджера магазина.

    Самовывоз из магазина

    Вы можете забрать товар в одном из магазинов, сотрудничающих с нами. Список торговых точек, которые принимают заказы от нашей компании появится у вас в корзине. Когда заказ поступит в ваш город, вам придёт уведомление. Вы просто идёте в этот магазин, обращаетесь к сотруднику в кассовой зоне и называете номер заказа. Забрать покупку может ваш друг или родственник, который знает номер и имя, на кого он оформлен.

    Постамат

    Постамат – это терминал с автоматизированной системой для хранения заказанных товаров. Удобство в том, что человек может забрать заказ в любое удобное время.

    Как работать с постаматом:
    • в момент оформления заказа на сайте, вы выбираете удобный для себя постамат, если такая система работает в вашем городе;
    • на ваш телефон или e-mail придет уникальный код, это значит, что товар доставлен в постамат;
    • вы приходите к постамату, вводите полученный код и следует инструкциям автомата;
    • оплачиваете заказ в терминале постамата;
    • забираете товар.

    Срок хранения в постамате 3 дня, но можно продлить ещё на аналогичный срок. Чтобы уточнить информацию и продлить время хранения зайдите на сайт нашего партнера, введите номер заказа и телефон и следуйте подсказкам на сайте.

    Почтовая доставка

    Если в вашем городе не действует курьерская служба и постаматы, то вы можете заказать доставку через почту России. Сразу по прибытии товара, на ваш адрес придет извещение о посылке.

    Перед оплатой вы можете оценить состояние коробки (не вскрывая): вес, целостность. Если вам кажется, что заказ не соответствует параметрам или коробка повреждена, попросите сотрудника почты составить акт о вскрытии. Вскрывать коробку самостоятельно вы можете только после того, как оплатили заказ.

    Один заказ может содержать не больше 10 позиций и его стоимость не должна превышать 100 тысяч рублей.

    Отзывы
    Оставить отзыв
    У данного товара нет отзывов. Станьте первым, кто оставил отзыв об этом товаре!
    Текст сообщения*
    Перетащите файлы
    Ничего не найдено
    Размер файла не должен превышать 5 МБ.
    Загрузить изображение
    Задать вопрос
    Вы можете задать любой интересующий вас вопрос по товару или работе магазина.

    Наши квалифицированные специалисты обязательно вам помогут.

    Задать вопрос

    captcha
    Ознакомьтесь с текстом по ссылке
    Y N

    Наличие

    Ранее вы смотрели


    2026 © Запасные части для сельхозтехники
    Интренет-магазин
    Каталог
    Контакты
    Отзывы
    Блог
    Оплата и доставка
    Условия оплаты
    Условия доставки
    Гарантия на товар
    Документы
    Оферта
    Политика конфиденцианости
    +7 (351) 20-20-300
    +7 (351) 20-20-300 Отдел оптовых продаж
    +7 (351) 225-80-85 Магазин запчастей
    Заказать звонок